

![]() |



EJT*-R 系列防爆外殼是分為防爆接線盒和防爆控制站,是由玻璃纖維增強聚酯制造而成。系列是防塵防爆接線盒、配電柜、開關柜和控制單元組合的系列外殼,保護類型為“ tb”。
該程序包括不同的外殼是專為使用在 21 區和 22 根據 IEC 60079-0 和 IEC 60079-31 粉塵爆炸危險區域。,可用在防爆 1, 2, 21 和 22 區。
這些外殼主要使用功能:
模擬或數字電纜布線。
信號和/或與設備相關的控制和監視。
電機、風機、水泵等設備的控制和啟停。
物理讀數,如流量、水位、壓力、溫度、電流等。
Service hotline:
0523-88317000 88318288




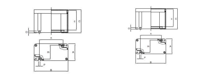
接線盒和控制站也可以制造到中等大小。這假定任何給定尺寸不大于最大外殼的各自尺寸,或小于最小外殼的各自尺寸。適用于中等大小的接線盒的
額定功率是下一個最小外殼的額定功率。
終端和部件可按指定的組合使用,但需計算最大耗散功率和認證條件。每個外殼的最大耗散功率都在上面詳述。
外殼可以鉆孔并用最大尺寸和最大孔數來填充。最大數量為指定的與單獨認證的電纜或堵頭的使用制造商的文件。

這些外殼主要用于電纜終端接頭的功能,具有引出或更換區段電纜的端子,用于連接長電纜到下部端子的電動機和/或終端用戶的端子帶。
終端的內部布局可以按照不同的配置進行,根據客戶的特殊要求,但始終在合格證的范圍內,終端可以與標準的不同位置安裝。
要使用的外殼尺寸是由我們的技術辦公室根據客戶所表示的幾個參數來完成的:
? 電纜的數量和大小
? 條目的數量和大小
? 特別的需要對于布線和工廠內的外殼的位置
? 溫度組別
? 設計溫度
如果外殼是提供完整的電纜腺體,我們會注意在尺寸方面根據電纜的數量和大小安裝。
端子安裝在安裝導軌上,直接固定在機箱底座或其安裝板的專用支架上。
外殼內部的端子的配置可以采用不同的配置:
?直線
?對角
?更多的行
根據客戶的要求,在證書使用的限制方面,對于機箱類型的最大端子、最大孔、最小距離和耗散功率,終端可以與所描述的不同位置安裝。
對母線系統 EJTB-R 為 250 A 和 315 A 采用 Ex-e
快速、經濟技術先進的裝配系統,在 1 區使用。
用在環境溫度范圍 55 - 65°C,非常適合在極端條件下的應用。由于使用高品質的材料,該裝置具有較高的防靜電和長期耐久性。
使用鉆孔夾具技術快速、經濟的連接電纜組件
? 用于在極端環境條件下使用
? 短路等級高,經久耐用
? 更大長度的可用母線(最多 6300 毫米)可選的可拆卸塑料蓋
? 快速和經濟的裝配
這些外殼主要用于與:
?電機、風機、水泵等設備的控制和啟停。
?物理讀數,如流量、水位、壓力、溫度、電流、電壓,頻率,速度控制等。
附件中的組件的分配可以根據特定客戶的要求在不同的配置下進行,并且始終遵守認證的限制。
蓋子上的設備符合這些外殼的使用,并由相關的組件證書、品牌功能和選定的型號組成。
防爆電氣分布必須按照 EN 60079 按構造措施加以保護。因此, 德威 EJTC-R 外殼提供增安型 Ex e 保護。
外殼和主開關模塊在以下材料:玻璃纖維增強聚酯、不銹鋼和聚酯粉末涂層鋼。模壓塑料外殼是阻燃劑,根據 UL 94 VO。所有模塊都是標準尺寸的,
可以按需要互連。
各種電纜的條目可以單獨安裝在無螺紋塑料或黃銅法蘭。由于這些法蘭可以插入一個單元,電纜嘗試可以輕松地安裝在任何時候。這同樣適用于其他
擴展或修改。
母線系統可用于向各個部件供電。隔爆型封裝模塊(Ex-d) 可按客戶規格組合。各種外殼尺寸提供足夠的空間,模塊是必需的: EJT*-R, EJT*-S/C, 接
觸器、電動機起動器、過電流旅行,三角時間繼電器或主開關。該模塊是通過簡單的卡軌安裝。因此,模塊可以快速或可靠地替換或添加。
我們生產的配電柜根據客戶要求和基礎的項目數據:
? 最低限度的保護類型
? 適當時,設備必須適合的危險氣氛的詳細情況
? 單線接線圖
? 控制系統示意圖
? 操作、輔助和控制電壓
? 頻率
? 連接負載的額定功率和電流額定值
? 所需元件的數量和類型,如接觸器、開關、斷路器、熔斷器、熱繼電器、儀表、端子等
? 電纜數量和類型
? 導體的數量和尺寸
? 數量和位置的條目(從頂部,底部,側、中心)
? 環境條件
? 安裝方法



|
Please write what you need, we will contact you asap!
Give technical advice within 30 minutes | Provide program design within 24 hours | Send domestic / foreign engineers within 24/72 hours
|
